Корзина
0 ₽
пуста
2-х ходовой вентиль PolarBear 2 BS 15-1.6N
Клапан 2BS 15-1,6 предназначен для регулирования расхода горячей и холодной воды в теплообменниках систем вентиляции, кондиционирования и отопления. Имеют равнопроцентную пропускную характеристику.
Область применения:
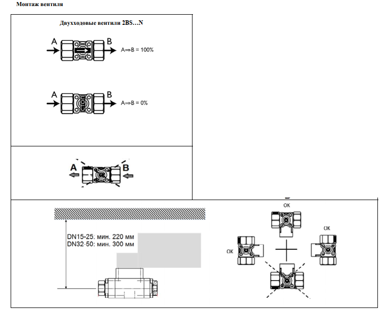
Регулирование у вентилей осуществляется поворотом штока. В зависимости от типа используемого привода VDT.../VDM... вентили могут работать в режиме двух-, трёхпозиционного или пропорционального (сигнал (0(2)–10 В) регулирования.
Поставляется только в комплекте с электроприводом!
Технические характеристики вентиля 2BS 15-1,6N



| Размеры (ДхШхВ) мм | 7 × 5 × 5 см |
| Вес | 0.3 кг |
Загрузка данных авторизации