Корзина
$0
пуста
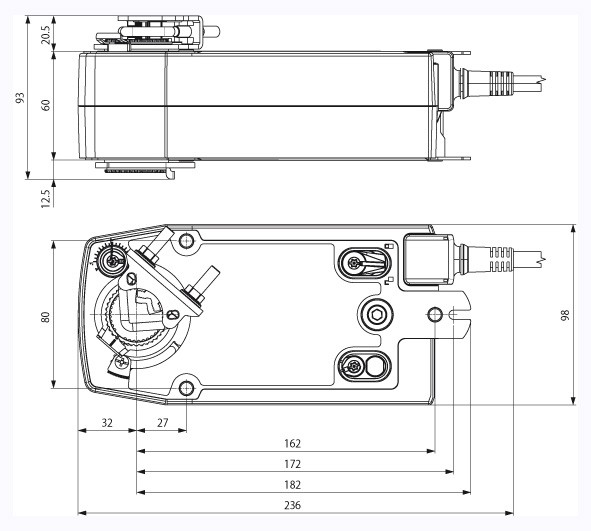
Привод воздушной заслонки SF230A-S2 Damper actuator
- Для воздушных клапанов с площадью до 4 м2
- Момент вращения 20 Нм
- Номинальное напряжение 230В переменного тока
- Управление: Открыт/Закрыт
Привод SF230A-S2 Damper с возвратной пружиной для управления воздушными заслонками в системах вентиляции и кондиционирования зданий.
Технические данные:
Наименование продукции - SF230A-S2 Damper
Артикул (код) - 12199
Напряжение - 230 B
Мощность - 6.5 Вт
Частота - 50/60 Гц
Момент - 20 Нм
Время полного хода штока - 75S/20S
Класс защиты - 54 IP
Допустимый диапазон темп. - -30...+50 °C
Другое:
Вес - 2.1 кг
Загрузка данных авторизации