| Напряжение |
230 |
В |
| Частота |
50 |
Гц |
| Фазность |
1 |
~ |
| Мощность на валу |
140 |
Вт |
| Ток |
1,11 |
A |
| Макс. расход воздуха |
832 |
м³/ч |
| Частота вращения |
1 476 |
1/мин |
| Максимальная температура перемещаемого воздуха |
120 |
°C |
| Диапазон рабочих температур |
40 |
°C |
| Уровень звукового давления на расстоянии 4м |
31 |
дБ(А) |
| Уровень звукового давления на расстоянии 10м |
23 |
дБ(А) |
| Вес |
25 |
кг |
| Класс изоляции двигателя |
F |
|
| Класс защиты двигателя |
54 |
IP |
| Емкость конденсатора |
6 |
мкФ |
Преимущества кухонного вентилятора для прямоугольных каналов Systemair KBT 160E4:
- Макс. температура перемещаемого воздуха 120°C
- Возможность регулирования скорости
- Встроенные термоконтакты
- Низкий уровень шума
Рекомендации по применению: Вентиляторы KBT предназначены для вытяжной вентиляции с высокими температурами перемещаемой среды (до 120 °C), например, для кухонь ресторанов и др., для удаления газов при сварных работах, для вентиляции промышленных хлебопекарных печей и т.д.
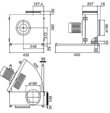
Конструкция: Корпус выполнен из двух листов оцинкованной листовой стали и изолирован слоем минеральной ваты толщиной 50 мм. Вентиляторы KBT имеют откидную дверцу для удобства осмотра и обслуживания. Направление открытия дверцы можно менять с левого на правое. Вентилятор изолирован от корпуса с помощью соединителей, виброгасители встроены в несущую раму.
Двигатель: Вентиляторы KBT оборудованы высоконадежными электродвигателями, соответствующими стандарту IEC, и рабочим колесом с загнутыми вперед лопатками из оцинкованной листовой стали. Для защиты двигателя от перегрева, двигатели KBT оснащены встроенными термоконтактами с выводами для подключения к внешнему устройству защиты.
Регулирование скорости: Скорость 1-фазных вентиляторов можно регулировать с помощью 5-ти ступенчатого трансформатора, 3-фазных - с помощью 5-ти ступенчатого трансформатора и изменением способа подключения «треугольник»/«звезда».
Монтаж: КВТ устанавливаются на несущую раму с виброгасителями, настенный монтаж осуществляется при помощи кронштейнов WBK (дополнительная принадлежность), допускается наружный монтаж при установке защитного кожуха WSD (дополнительная принадлежность).
Сертификаты: Сертификаты соответствия РФ и Украины