Задать вопрос

Задать вопрос о продукте:

Имя: E-mail: Вопрос:
Задать вопрос
Ваш вопрос отправлен. Мы свяжемся с Вами в ближайшее время. Пожалуйста, заполните все поля. Некорректный адрес E-Mail. Произошла ошибка. Повторите попытку позже.

Systemair DVG-H 400D4-8-S/F400 (снят с производства)

Купить Systemair DVG-H 400D4-8-S/F400 (снят с производства)

Цена
0
Артикул: 95006
Количество
Заказ по телефону
+7 (495)-649-67-66

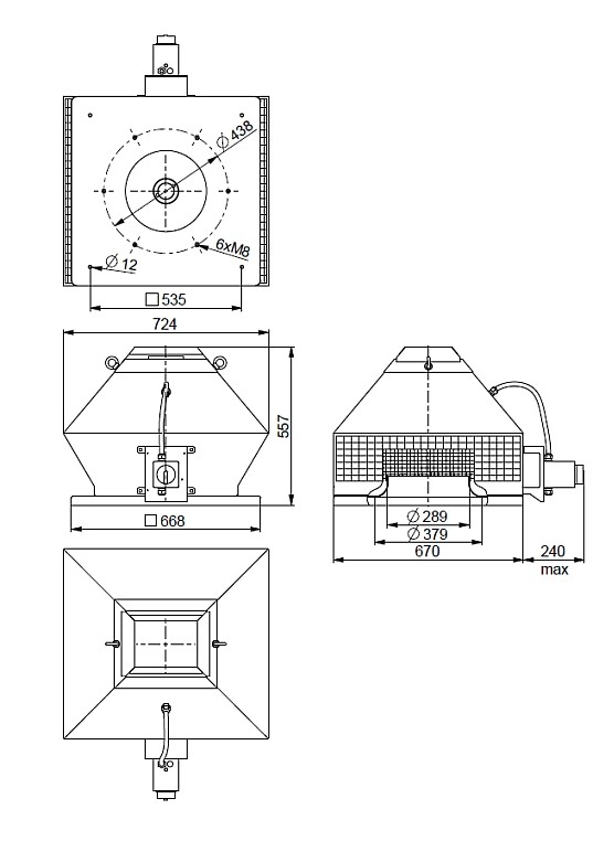
Крышный вентилятор дымоудаления Systemair DVG-H 400D4-8-S/F400

Преимущества вентилятора DVG-H:

- Крышный вентилятор дымоудаления
- Предел огнестойкости 400°C/120 ми
- Продолжительная работа при температурах до 120°C
- Горизонтальный выброс воздуха
- Применим в морском климате
- Сервисный выключатель на корпусе

Рекомендации по применению: Модификации вентиляторов DVG-H 400D4-8-S/F400 предназначены для удаления дымовых газов при пожаре, а также в обычных рабочих условиях для стандартной вентиляции. Свободные от дыма проходы увеличивают шансы спасения людей при пожаре. Вентиляторы DVG снижают риск распространения огня на другие здания.

Конструкция: Корпус вентилятора DVG-H 400D4-8-S/F400 выполнен из алюминия, стойкого к воздействию морской воды, рама основания - из оцинкованной стали. DVG оборудованы электродвигателем, вынесенным из потока перемещаемого воздуха и рабочим колесом с загнутыми назад лопатками из оцинкованной стали.

Двигатель: IE1- электродвигатель вентилятора расположен в герметичном теплоизолированном отсеке, вне воздушного потока. Термозащита двигателя осуществляется при помощи PTC или термоконтактов. Вентиляторы, управляемые преобразователями частоты должны быть доукомплектованы термисторами РТС. Для двухскоростных вентиляторов (мощностью до 4кВт) можно приобрести двухскоростной переключатель (в этом случае необходимодополнительно  устанавливать термоконтакты, нельзя использовать РТС без термоконтактов). В случае применения противопожарного двухскоростного переключателя, преобразователи частоты и все защитные устройства должны быть устранены для обеспечения непосредственного подключения к сети питания. Для частотно регулируемых вентиляторов может понадобиться дополнительная EMC защита.

Монтаж: Вентиляторы DVG-H 400D4-8-S/F400 предназначены для крышного монтажа и устанавливаются над отапливаемыми помещениями во избежание намораживания льда в сливном контуре.

Сертификаты:
Сертификат соответствия РФ; сертификат соответствия техническому регламенту о требованиях пожарной безопасности: №С-SI.ПБ01.В00160 - 400°С/2 часа.


Технические характеристики:
Модель - DVG-H 400D4-8-S/F400
Артикул (код) - 95006
Напряжение - 400 В
Подключение - YY
Частота - 50 Гц
Фазность - 3 ~
Мощность на валу - 370 Вт
Ток - 1.3 A
Пусковой ток - 3.4 A
Макс. расход воздуха - 3680 м3/ч
Частота вращения - 1430 1/мин
Максимальная температура перемещаемого воздуха - 120 °C
Макс. темп. перемещаемого воздуха до 120 минут - 400 °C
Уровень звукового давления на расстоянии 4м - 60 дБ(А)
Уровень звукового давления на расстоянии 10м - 54 дБ(А)
Вес - 43 кг
Класс изоляции двигателя - F
Класс защиты двигателя - 54 IP

  • Доставка нужной вам транспортной компанией

  • Удобная оплата

Товар добавлен в корзину

Закрыть
Закрыть
×

Заказать обратный звонок

55,52,51,49,56,55,49,102,102,102,98,98,54,97,57,54,56,99,54,57,102,52,50,52,102,98,99,53,97,48,101,51
Нажимая на кнопку, вы даете согласие на обработку своих
персональных данных и соглашаетесь с политикой конфиденциальности
Спасибо за оставленную заявку!
Наш оператор свяжется с вами в ближайшее время