Взрывозащищенный осевой вентилятор среднего давления Systemair AXC-EX 400-7/32°-4
Преимущества вентилятора AXC-EX:
- Стандартный модельный ряд, короткие сроки поставки
- Лопатки аэродинамической формы с регулируемым углом наклона
- Рабочее колесо и лопасти выполнены из литого алюминия
- Корпус выполнен из малоуглеродистой горячекатаной оцинкованной стали, согласно EN ISO 1641
- Антиискровое алюминиевое кольцо
- Фланцы повышенной жесткости
- 3~ -фазные электродвигатели, IP55, класс изоляции F (EN 60034, IEC 85) Клеммная коробка (Ex e) смонтирована на
двигателе
- Допустимая температура окружающей среды от -20°C до +40°C (другие по запросу)
- Смотровое окно для проверки направления вращения рабочего колеса
AXC-EX - взрывозащищенные осевые вентиляторы среднего давления. Регулируемые углы наклона лопаток позволяют достичь высокой производительности и максимально точного расхода воздуха. Вентиляторы AXC-EX 400-7/32°-4 используются для зон 1 или 2 класса, для категорий смеси II А, B и C, и температурных классов T1-T4. Вентиляторы AXC-EX классифицируются по категории 2G.
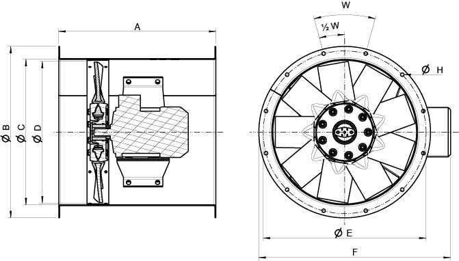
Конструкция: Корпус вентилятора AXC-EX 400-7/32°-4 выполнен из малоуглеродистой горячекатаной оцинкованной стали, согласно EN ISO 1461. Рабочее колесо и лопасти выполнены из литого алюминия, статически и динамически сбалансированы. Фланцы имеют повышенную жесткость, согласно DIN 24154-3.
Двигатель: Взрывозащищенный электродвигатель находится в потоке перемещаемого воздуха, полностью изолирован и охлаждается потоком воздуха. Взрывозащита типа Ex d, класс защиты двигателя IP55, класс изоляции F (согласно EN 60034-5, IEC 85). Для тепловой защиты двигатели снабжены встроенным терморезистором PTC для подключения к внешнему устройству защиты.
Регулирование скорости: Скорость 3-фазного двигателя регулируется с помощью частотного преобразователя.
Подключение: Клеммная коробка имеет взрывозащиту типа Ex e, класс защиты IP 65, смонтирована на корпусе вентилятора. Подключение питания к вентилятору осуществляется путем присоединения кабеля к сети переменного тока.
Сертификаты: Сертификат соответствия требованиям Sira 07ATEX6341X.
Технические характеристики:
Модель - AXC-EX 400-7/32°-4
Артикул (код) - 33008
Напряжение - 400 В
Частота - 50 Гц
Фазность - 3 ~
Максимальная нагрузка - 0.37 кВт
Мощность - 337 Вт
Ток - 0.845 A
Макс. расход воздуха - 4615 м³/ч
Частота вращения - 1461 1/мин
Температурный диапазон транспортируемой среды - -20...+40 °C
Вес - 75 кг
Класс изоляции двигателя - F
Класс защиты двигателя - 55 IP
Взрывозащищенность - II 2G c Ex d IIC T4