Задать вопрос

Задать вопрос о продукте:

Имя: E-mail: Вопрос:
Задать вопрос
Ваш вопрос отправлен. Мы свяжемся с Вами в ближайшее время. Пожалуйста, заполните все поля. Некорректный адрес E-Mail. Произошла ошибка. Повторите попытку позже.

SYSTEMAIR AW sileo 710E6

Купить SYSTEMAIR AW sileo 710E6

Цена
$0
Артикул: 34142
Количество
Заказ по телефону
+7 (495)-649-67-66

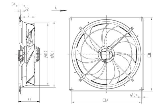
Осевые вентиляторы AW sileo 710E6 Axial fan

- Регулировка скорости вращения
- Встроенные термоконтакты
- Не требуют обслуживания и надежны в работе
- Защитная решетка в комплекте

Рекомендации по применению:

Вентиляторы AW sileo 710E6 - для вытяжной вентиляции без сетей воздуховодов (складов, компрессорных и т.д.).

Конструкция:
Корпус вентиляторов изготовлен из оцинкованной стали, рабочее колесо с лопатками аэродинамической формы - из высокоэффективного композитного материала, все части окрашены в черный цвет (RAL 9005). Вентиляторы AW sileo 710E6 оснащены квадратными пластинами для настенного монтажа. Защитная решетка со стороны всасывания поставляется в комплекте.

Двигатель:
AW sileo 710E6 оборудованы электродвигателями с внешним ротором с регулируемой скоростью вращения. Двигатели оснащены встроенными термоконтактами с выводами для подключения к внешнему устройству защиты от перегрева.

Регулирование скорости:
Скорость 1-фазных вентиляторов AW sileo 710E6 Axial fan можно регулировать с помощью бесступенчатого тиристора или 5-ти ступенчатого трансформатора, 3-фазных - с помощью 5-ти ступенчатого трансформатора или изменением способа подключения «треугольник»/«звезда»

Монтаж:

Вентиляторы AW sileo 710E6 Axial fan предназначены для настенного монтажа.

Технические данные:

Наименование продукции - AW sileo 710E6 Axial fan
Артикул (код) - 34142
Напряжение - 230 В
Частота - 50 Гц
Фазность - 1 ~
Мощность - 950 Вт
Ток - 4.4 A
Макс. расход воздуха - 13892 м³/ч
Частота вращения - 850 (1/мин)
Макс. температура перемещаемого воздуха - 65 °C
Макс. температура перемещаемого воздуха при регулировании - 65 °C
Уровень звукового давления на расстоянии 1м - 67 дБ(А)
Класс изоляции двигателя - F     
Класс защиты двигателя - 54 IP
Емкость конденсатора - 16 мкФ

Другое:
Вес - 35.1 кг

  • Доставка нужной вам транспортной компанией

  • Удобная оплата

Товар добавлен в корзину

Закрыть
Закрыть
×

Заказать обратный звонок

55,52,51,49,56,55,49,102,102,102,98,98,54,97,57,54,56,99,54,57,102,52,50,52,102,98,99,53,97,48,101,51
Нажимая на кнопку, вы даете согласие на обработку своих
персональных данных и соглашаетесь с политикой конфиденциальности
Спасибо за оставленную заявку!
Наш оператор свяжется с вами в ближайшее время