Задать вопрос

Задать вопрос о продукте:

Имя: E-mail: Вопрос:
Задать вопрос
Ваш вопрос отправлен. Мы свяжемся с Вами в ближайшее время. Пожалуйста, заполните все поля. Некорректный адрес E-Mail. Произошла ошибка. Повторите попытку позже.

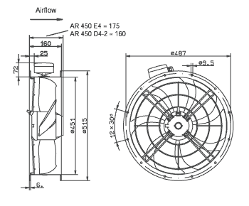
Systemair AR 450D4-2 (снят с производства)

Купить Systemair AR 450D4-2 (снят с производства)

Цена
€0
Артикул: 5785
Количество
Заказ по телефону
+7 (495)-649-67-66

Напряжение 400 В
Частота 50 Гц
Фазность 3 ~
Мощность 483 Вт
Ток 0,969 A
Макс. расход воздуха 7 427 м³/ч
Частота вращения 1 382 1/мин
Максимальная температура перемещаемого воздуха 70 °C
Максимальная температура перемещаемого воздуха при регулировании 70 °C
Уровень звукового давления на расстоянии 3м 71,1 дБ(А)
Вес 7,9 кг
Класс изоляции двигателя F  
Класс защиты двигателя 54 IP

 

Преимущества  осевого вентилятора Systemair AR 450D4-2 :

  • Регулировка скорости вращения
  • Встроенные термоконтакты
  • Не требуют обслуживания и надежны в работе

 

Рекомендации по применению: Вентиляторы AR - для систем подпора воздуха в системах противопожарной вентиляции.


Конструкция: Корпус вентиляторов и рабочее колесо с серповидными лопатками изготовлены из оцинкованной стали и окрашены в черный цвет (RAL 9005). Вентиляторы AR оснащены фланцами для крепления к воздуховоду.


Двигатель: AR оборудованы электродвигателями с внешним ротором с регулируемой скоростью вращения. Двигатели оснащены встроенными термоконтактами с выводами для подключения к внешнему устройству защиты от перегрева.


Регулирование скорости: Скорость 1-фазных вентиляторов можно регулировать с помощью бесступенчатого тиристора или 5-ти ступенчатого трансформатора, 3-фазных - с помощью 5-ти ступенчатого трансформатора или изменением способа подключения «треугольник»/«звезда».

 

Монтаж: Вентиляторы AR предназначены для монтажа в воздуховоды.


Сертификаты: Сертификаты соответствия РФ и Украины

  • Доставка нужной вам транспортной компанией

  • Удобная оплата

Товар добавлен в корзину

Закрыть
Закрыть
×

Заказать обратный звонок

55,52,51,49,56,55,49,102,102,102,98,98,54,97,57,54,56,99,54,57,102,52,50,52,102,98,99,53,97,48,101,51
Нажимая на кнопку, вы даете согласие на обработку своих
персональных данных и соглашаетесь с политикой конфиденциальности
Спасибо за оставленную заявку!
Наш оператор свяжется с вами в ближайшее время