| Напряжение |
230 |
В |
| Частота |
50 |
Гц |
| Фазность |
1 |
~ |
| Мощность |
15,8 |
Вт |
| Ток |
0,069 |
A |
 |
| Макс. расход воздуха |
421 |
м³/ч |
| Частота вращения |
1 266 |
1/мин |
| Максимальная температура перемещаемого воздуха |
75 |
°C |
| Максимальная температура перемещаемого воздуха при регулировании |
75 |
°C |
 |
| Уровень звукового давления на расстоянии 1м |
41 |
дБ(А) |
| Вес |
2,7 |
кг |
| Класс изоляции двигателя |
B |
|
| Класс защиты двигателя |
44 |
IP |
| Емкость конденсатора |
0,5 |
мкФ |
Преимущества осевого вентилятора Systemair AR 200E4-K :
- Регулировка скорости вращения
- Встроенные термоконтакты
- Не требуют обслуживания и надежны в работе
Рекомендации по применению: Вентиляторы AR - для систем подпора воздуха в системах противопожарной вентиляции.
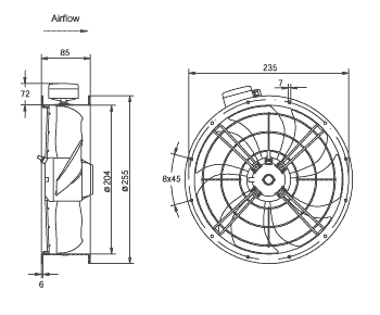
Конструкция: Корпус вентиляторов и рабочее колесо с серповидными лопатками изготовлены из оцинкованной стали и окрашены в черный цвет (RAL 9005). Вентиляторы AR оснащены фланцами для крепления к воздуховоду.
Двигатель: AR оборудованы электродвигателями с внешним ротором с регулируемой скоростью вращения. Двигатели оснащены встроенными термоконтактами с выводами для подключения к внешнему устройству защиты от перегрева.
Регулирование скорости: Скорость 1-фазных вентиляторов можно регулировать с помощью тиристора или 5-ти ступенчатого трансформатора, 3-фазных - с помощью 5-ти ступенчатого трансформатора или изменением способа подключения «треугольник»/«звезда».
Монтаж: Вентиляторы AR предназначены для монтажа в воздуховоды.
Сертификаты: Сертификаты соответствия РФ и Украины