Корзина
$0
пуста
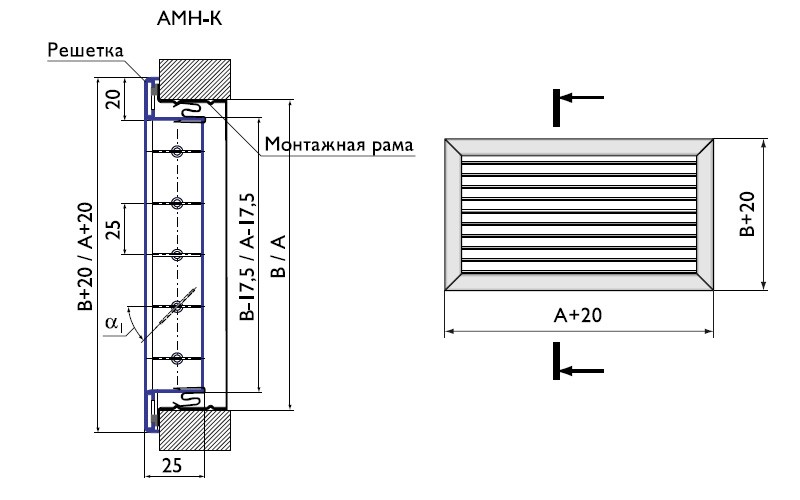
Вентиляционная решетка Арктос AMH-К 600*300 предназначена для подачи и удаления воздуха в помещениях.
Решётка AMH-К 600x300 снабжена одним рядом индивидуально регулируемыми по наклону жалюзи для изменения направления воздушной струи.
Жалюзи устанавливаются в пластиковые втулки, которые облегчают их поворот при регулировании.
Решетки АМН-К 600х300 предназначены для настенного монтажа при помощи пружинных фиксаторов.
Для удобства установки решетки могут комплектоваться монтажной рамкой РМУ (приобретается отдельно).
Характеристики решетки Арктика AMH-К 600х300:

Возможно изготовление нестандартных решеток АМН-К:
| Наличие | производство на заказ |
| Камера статического давления | нет |
| Монтажный размер по вертикали | 300 |
| Срок поставки в раб.днях | 20 |
| Размер рамки | "К" -уменьшеный (+2см) |
| клапан расхода воздуха | нет |
| Тип панели | 1ряд подвижных жалюзи |
| Монтажный размер по горизонтали | 600 |
Загрузка данных авторизации