Задать вопрос

Задать вопрос о продукте:

Имя: E-mail: Вопрос:
Задать вопрос
Ваш вопрос отправлен. Мы свяжемся с Вами в ближайшее время. Пожалуйста, заполните все поля. Некорректный адрес E-Mail. Произошла ошибка. Повторите попытку позже.

Ostberg IRE 400 С (Снят с производства)

Купить Ostberg IRE 400 С (Снят с производства)

Цена
€0
Этот товар временно недоступен для заказа
Количество
Заказ по телефону
+7 (495)-649-67-66

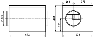
Канальный вентилятор Ostberg IRE 400 С в изолированном корпусе для круглых воздуховодов

Производ. по воздуху: 1700 м3/ч
Напряжение: 230  В
Ток: 2,4  А

Потребляемая мощность: 550 Вт

Частота вращения 2200 об/мин 

50*30C

Вес 39 кг

Вентилятор Ostberg IRE 400 С оборудован асинхронным двигателем с внешним ротором и уплотнёнными подшипниками, что увеличивает срок их службы. Корпус изготавливается из гальванизированной стали. Двигатель и рабочее колесо вентиляторов расположены на откидывающейся пластине, что делает доступ к ним лёгким, быстрым и удобным. Вентиляторы имеют внутренний 50 мм слой изоляции из минеральной ваты, покрытой грубой шерстяной тканью, что обеспечивает низкие шумовые характеристики.

Регулирование скорости
Регулирование скорости всех вентиляторов осуществляется в диапазоне от 0 до 100% изменением подаваемого напряжения. Это достигается с помощью использования бесшагового тиристора или пятиступенчатого трансформатора. К одному тиристору или трансформатору можно подключить несколько вентиляторов при условии, что общий рабочий ток вентиляторов не превышает номинальный ток тиристора или трансформатора.

Защита двигателя
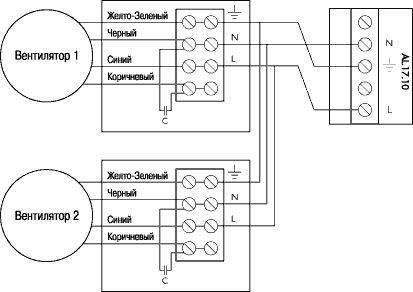
Все двигатели защищены термоконтактами. Однофазные вентиляторы имеют встроенный термоконтакт с автоматическим перезапуском. Трёхфазные вентиляторы имеют два подсоединительных вывода встроенного термоконтакта. Выводы термоконтактов (TW) должны подключаться к реле перегрузки или к клеммам TW трансформатора VRTT или VRDT.

Аксессуары

Регуляторы скорости, быстросъёмные муфты, обратный клапан, воздушный фильтр, глушитель, воздухораспределительные и защитные решётки и т. д.

Монтаж

*Вентиляторы могут быть установлены в любом положении.
• Все вентиляторы поставляются в полностью собранном виде, готовые к подключению.
• Электрическое подключение и монтаж должны выполняться только квалифицированным персоналом в соответствии с инструкцией по монтажу.
• Электрические параметры должны соответствовать спецификации на табличке вентилятора.
• Вся электропроводка и соединения должны быть выполнены в соответствии c правилами техники безопасности.
• Электрическое подключение должно выполняться в соответствии со схемой подключения, приведённой на клеммной коробке, согласно маркировке клемм.
• Вентиляторы должны быть заземлены.
• Вентиляторы, имеющие термоконтакт с внешними выводами, всегда должны подключаться к внешнему устройству защиты двигателя.
• Вентилятор должен быть установлен в соответствии с направлением потока воздуха (см. стрелку на вентиляторе).
• Вентиляторы должны быть смонтированы таким образом, чтобы имелся доступ для безопасного обслуживания.

Условия работы
• Вентиляторы не должны эксплуатироваться во взрывоопасных помещениях, недопустимо соединение с дымоходами.

  • Доставка нужной вам транспортной компанией

  • Удобная оплата

Товар добавлен в корзину

Закрыть
Закрыть
×

Заказать обратный звонок

55,52,51,49,56,55,49,102,102,102,98,98,54,97,57,54,56,99,54,57,102,52,50,52,102,98,99,53,97,48,101,51
Нажимая на кнопку, вы даете согласие на обработку своих
персональных данных и соглашаетесь с политикой конфиденциальности
Спасибо за оставленную заявку!
Наш оператор свяжется с вами в ближайшее время