Корзина
0 ₽
пуста
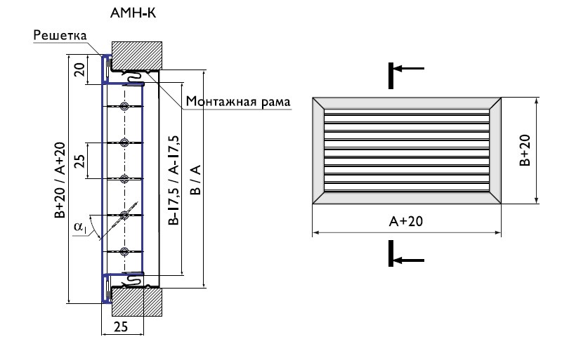
Вентиляционная решетка Арктос AMH-К 300*150 предназначена для подачи и удаления воздуха в помещениях.
Решётка AMH-К 300x150 снабжена одним рядом индивидуально регулируемыми по наклону жалюзи для изменения направления воздушной струи.
Жалюзи устанавливаются в пластиковые втулки, которые облегчают их поворот при регулировании.
Решетки АМН-К 300х150 предназначены для настенного монтажа при помощи пружинных фиксаторов.
Для удобства установки решетки могут комплектоваться монтажной рамкой РМУ (приобретается отдельно).
Характеристики решетки Арктика AMH-К 300х150:

Возможно изготовление нестандартных решеток АМН-К:
| Тип панели | 1ряд подвижных жалюзи |
| Монтажный размер по горизонтали | 300 |
| Наличие | производство на заказ |
| Камера статического давления | нет |
| Монтажный размер по вертикали | 150 |
| Срок поставки в раб.днях | 20 |
| Размер рамки | "К" -уменьшеный (+2см) |
| клапан расхода воздуха | нет |
Загрузка данных авторизации