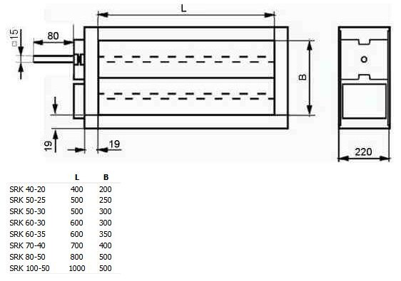
Регулирующий клапан Systemair SRK 70-40
Воздушный клапан с системой фланцев, предназначен для установки с канальными вентиляторами в прямоугольных воздуховодах. Клапан многостворчатый, со встречным вращением створок. Створки установлены внутри корпуса клапана на втулках, изготовленных из нейлона, усиленного стекловолокном. Створки соединены рычажным механизмом с внешней стороны корпуса клапана. Соединение защищено таким образом, что клапан может быть покрыт изоляцией вместе с воздуховодом. Створки и корпус клапана изготовлены из оцинкованной листовой стали. Герметичность соединений соответствует классу 3 стандарта EN 1751:1998 (Anex C.2).