Задать вопрос

Задать вопрос о продукте:

Имя: E-mail: Вопрос:
Задать вопрос
Ваш вопрос отправлен. Мы свяжемся с Вами в ближайшее время. Пожалуйста, заполните все поля. Некорректный адрес E-Mail. Произошла ошибка. Повторите попытку позже.

Ostberg KVTU 250 А (Снят с производства)

Купить Ostberg KVTU 250 А (Снят с производства)

Цена
0
Этот товар временно недоступен для заказа
Количество
Заказ по телефону
+7 (495)-649-67-66

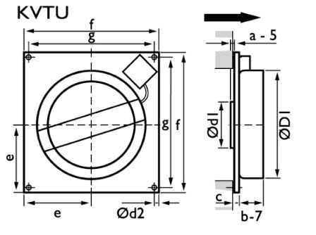
Настенный вентилятор Ostberg KVTU 250 A

Настенный вентилятор KVTU 250 A оборудован асинхронным двигателем с внешним ротором и рабочим колесом с загнутыми назад лопатками. Корпус вентилятора изготавливается из гальванизированной стали.
Степень защиты электродвигателя IP 44, клеммной коробки – IP 54. 

Установка Ostberg KVTU 250 A:
Вентилятор может быть установлены в любом положении.

Регулирование скорости:
Регулирование скорости вентилятора осуществляется в диапазоне от 0 до 100% с помощью электронного или 5-ступенчатого регулятора скорости. К одному регулятору скорости можно подключить несколько вентиляторов при условии, что общий рабочий ток вентиляторов не превышает номинальный ток регулятора скорости.

Защита двигателя:
Двигатель имеет встроенный термоконтакт с автоматическим перезапуском.

Аксессуары KVTU 250 A:
Регуляторы скорости, модули управления, канальные нагреватели и охладители, шумоглушители, воздушные и обратные клапаны, воздушные фильтры, воздухораспределительные и регулирующие устройства и т.д.

Монтаж Ostberg KVTU 250 A:
- Вентилятор поставляется полностью в собранном виде, готовый к подключению.
- Электрическое подключение и монтаж должны выполняться только квалифицированным персоналом в соответствии с инструкцией по монтажу.
- Параметры электропитания должны соответствовать спецификации на табличке вентилятора.
- Вся электропроводка и соединения должны быть выполнены в соответствии c правилами техники безопасности.
- Электрическое подключение должно выполняться в соответствии со схемой подключения, приведённой на клеммной коробке, согласно маркировке клемм.
- Вентилятор должен быть заземлен.
- Вентилятор должен быть установлен в соответствии с направлением потока воздуха (см. стрелку на вентиляторе).
- Вентилятор должен быть смонтированы таким образом, чтобы имелся доступ для безопасного обслуживания.

Условия работы KVTU 250 A:
- не должен эксплуатироваться во взрывоопасных помещениях, недопустимо соединение с дымоходами.
- не допускается использовать для перемещения взрывчатых газов, пыли, сажи, муки и т.п.
- предназначен для непрерывной работы. Не рекомендуется производить частое включение и выключение вентиляторов.

Технические данные:
Тип вентилятора - Ostberg KVTU 250 A
Производ. по воздуху - 940 м3/ч
Частота вращения - 2580 об/мин
Макс. температура - 60 °С
Ном. мощнасть - 120 Вт
Напряжение - 230 В
Ток - 0,53 А

Другое:
Вес - 4,1 кг

  • Доставка нужной вам транспортной компанией

  • Удобная оплата

Товар добавлен в корзину

Закрыть
Закрыть
×

Заказать обратный звонок

55,52,51,49,56,55,49,102,102,102,98,98,54,97,57,54,56,99,54,57,102,52,50,52,102,98,99,53,97,48,101,51
Нажимая на кнопку, вы даете согласие на обработку своих
персональных данных и соглашаетесь с политикой конфиденциальности
Спасибо за оставленную заявку!
Наш оператор свяжется с вами в ближайшее время