Задать вопрос

Задать вопрос о продукте:

Имя: E-mail: Вопрос:
Задать вопрос
Ваш вопрос отправлен. Мы свяжемся с Вами в ближайшее время. Пожалуйста, заполните все поля. Некорректный адрес E-Mail. Произошла ошибка. Повторите попытку позже.

SYSTEMAIR DHS sileo 450DV

Купить SYSTEMAIR DHS sileo 450DV

Цена
0
Артикул: 36125
Количество
Заказ по телефону
+7 (495)-649-67-66


Крышные вентиляторы DHS sileo 450DV ErP


- Высокая эффективность
- Возможность регулировния скорости
- Встроенный термоконтакты
- Низкий уровень шума
- Широкий выбор аксессуаров
- Удобны при монтаже и надежны в работе

DHS sileo 450DV подходит для больших расходов воздуха. Имеет никий уровень шума. Данные модели имеют рабочее колесо с 3D-профилем с загнутыми назад лопатками и двигатель с внешним ротором. Двигатели имеют возможность регулирования скорости путем изменения напряжения (трансформатором). Двигатель установлен на эффективных виброизоляторах.

При регулировании скорости DHS sileo 450DV в трехфазных электродвигателей необходми преобразователь частоты с синус-фильтром!Двигатели подвешены на эффективные амортизаторы вибрации.

Для защиты от перегрева двигатели Sileo оснащены встроенными термоконтактами с выводами для подключения к внешнему устройству защиты от перегрева.

Корпус вентилятора выполнен из алюминия. Рама изготовлена из оцинкованной стали. Подходит для использования в морском климате. Рабочее колесо вентилятора Sileo изготавливаtтся из высококачественного композитного материала с высокоэффективным 3D-профилем лопаток.

DHS sileo 450DV - с горизонтальным выбросом

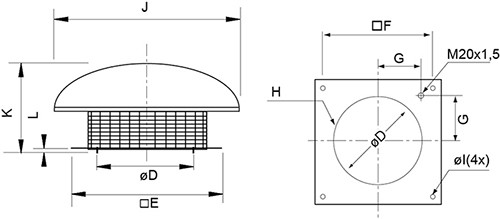
Технические данные:
Наименование продукции - DHS sileo 450DV
Код (Артикул) - 36125
Напряжение - 400 В
Подключение - D/Y
Частота - 50 Гц
Фазность - 3 ~
Мощность - 696 Вт
Ток -1.38 A
Макс. расход воздуха - 5821 м³/ч
Частота вращения - 1362 (1/мин)
Макс. температура перемещаемого воздуха - 60 °C
Макс. температура перемещаемого воздуха при регулировании - 60 °C
Уровень звукового давления на расстоянии 4м - 50 дБ(А)
Уровень звукового давления на расстоянии 10м - 42 дБ(А)
Класс изоляции двигателя - F     
Класс защиты двигателя - 54 IP

Другое:
Вес - 29 кг

  • Доставка нужной вам транспортной компанией

  • Удобная оплата

Товар добавлен в корзину

Закрыть
Закрыть
×

Заказать обратный звонок

55,52,51,49,56,55,49,102,102,102,98,98,54,97,57,54,56,99,54,57,102,52,50,52,102,98,99,53,97,48,101,51
Нажимая на кнопку, вы даете согласие на обработку своих
персональных данных и соглашаетесь с политикой конфиденциальности
Спасибо за оставленную заявку!
Наш оператор свяжется с вами в ближайшее время